电路图的一般规则和特点
—— PCB板上的Mark点
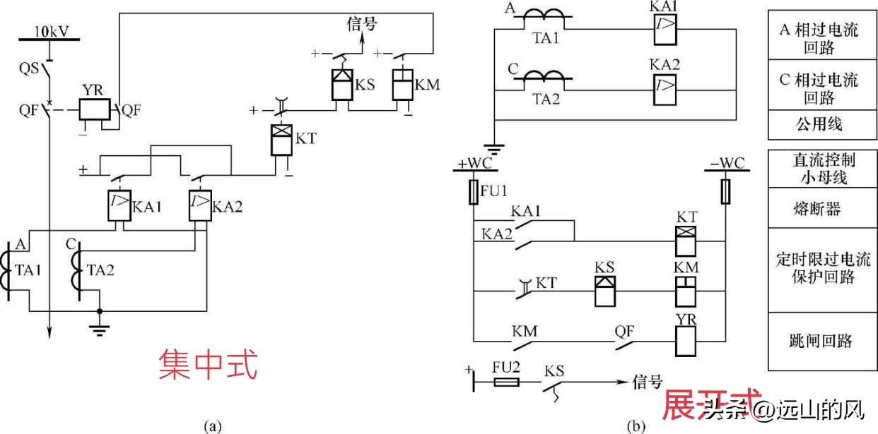
电路图主要用于表示一次设备和二次设备的连接方法、控制方式等,分集中式和展开式两类,
电路图的一般规则如下:
1.所有设备必须按照统一规定的图形符号绘制,并按规定标准标记文字符号。




2.集中式电路图会将一次回路和二次回路绘制到一起,一般主回路在左,二次回路在右。

3.展开式电路图会将主回路和二次回路分开绘制,二次回路按供给二次设备的各个独立电源划分回路,各回路在电路图上分开表示。比如将电流互感器二次绕组作为独立电源,将互感器二次侧的保护、表计、测量回路分开绘制,将供给断路器合闸线圈的电源作为独立电源,将合闸线圈的控制回路分开绘制等。

4.二次设备间的连接按等电位连接,并按规定的数学标号,同一电位点的导线只编一个号。有些回路常使用固定数学标注,如断路器跳闸回路常用33、133、233,合闸回路常用3、103、203,电流回路常用400~599,电压回路常用600~799等。


5.开关电器的主触点全部为断开状态。

6.开关电器的辅助触点和继电器触点全部为不通电时的状态。但是部分设备通电后触点也不会改变状态,比如热继电器的辅助触点,电流继电器触点等,需要电流达到设置值后触点才会改变状态。

7.二次设备的连接次序通常为从左往右,动作顺序从上往下。
8.各设备的主触点、辅助触点、线圈等都会分开绘制到所在的回路中,但属同一设备的文字符号必须相同,同一种类的多个设备以文字符号+数学表示。
9.设备线圈或触点不在同一张图上时,应标明该线圈或触点的引来处或引出处。









评论