晶台可控硅光耦在家电行业中远超继电器的原因分析
明明继电器就能实现强弱电隔离和小电流控大电流,为啥还要用可控硅光耦?答案藏在开关速度、寿命与噪音的博弈里。继电器作为机械开关,确实成本低、直接驱动大电流,但三大痛点难以忽视:
①、10ms的吸合延时限制了PWM频率;
②、频繁开关加速触点磨损;
③、交流峰值处通断产生的电火花更带来恼人噪音。
在一些需要精细控温、频繁调功的场景里,恰恰成了致命伤。
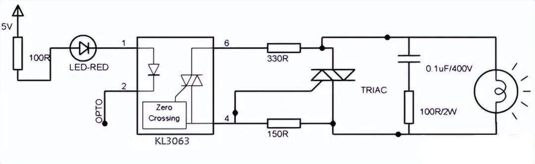
晶台可控硅光耦的过零检测特性完美破解这些难题。以KL3063零交叉可控硅光耦为例:当PWM高电平时,三极管导通触发光耦,但可控硅仅在交流电过零点导通,巧妙避开峰值电压,避免电火花产生;PWM低电平时,光耦在下一个过零点断开,实现无弧关断。KL3063的600V断态电压远超市电310V峰值,其中可控硅的800V阻断电压与12A通流能力则完美匹配元件需求。这种“过零通断”机制不仅将开关延时压缩到微秒级,更让可控硅寿命从百万次级跃升至近乎“免维护”,同时大幅降低电路噪音。
▲晶台可控硅光耦KL3063电路示例
在需要高频PWM调光、抗震动免维护的家电场景里,晶台可控硅光耦用“无触点”设计实现了寿命与速度的双重突破。
*博客内容为网友个人发布,仅代表博主个人观点,如有侵权请联系工作人员删除。











