开口式电流互感器的安装和接线注意事项
开口式电流互感器
电气工程师 18706168052
【1】特点
产品外形美观,安装、接线方便,主要用于电力运维及用电改造项目,一般输出为 AC 5A标准信号,具有体积小、精度高、带载能力强、安装方便等优点,为用户改造项目节省人力、物力、财力,提高效率。
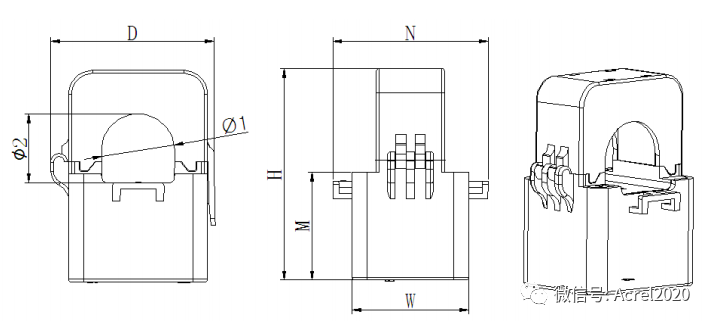
【2】尺寸
注:互感器引出线为 1.5mm²导线,标配长度为 1m±10cm。
【3】规格
额定工作电压 AC0.66kV(等效 AC0.69kV,GB156-2003)额定频率 50-60Hz环境温度-30℃~70℃海拔高度≤3000m工频耐压 3000V/1min 50Hz用于没有雨雪直接侵袭,无严重污染及剧烈震动的场所。
注意事项
【1】电流方向
电流互感器线缆穿心方向:P1进P2出。
【2】互感器的固定
用尼龙扎带将互感器固定在被测电缆上以防止互感器滑动。
【3】互感器的接线
与多功能仪表或者电流表使用时,互感器二次侧有红黑两根线,红接仪表 IA*、IB*、IC*,黑接仪表 IA、IB、IC;
*博客内容为网友个人发布,仅代表博主个人观点,如有侵权请联系工作人员删除。










